| 防偽碼: | QQZX1vOMAqGn1G6IaDo531 |
|---|
Y-M系列隔膜壓力表
Description
概述
為使通用型壓力儀表能適用于測量強腐蝕、高溫、高粘度、易結晶、易凝固、有固體浮游物的介質壓力以及須避免測量介質直接進入通用型壓力儀表和防止沉淀物積聚且易清潔的場合,應須采用由隔膜隔離器與通用型壓力儀表組成一個系統的隔膜表。
隔膜表主要用于石油化工、制堿、化纖、染化、制藥、食品和制酪等工業部門生產過程中測量流體介質壓力之用。
構成示意圖

結構原理
隔膜壓力表由各種通用型壓力儀表和不同結構的隔膜隔離器組成一個封閉系統,內充密封液。當被測介質的壓力作用于隔膜時,則隔膜產生變形,壓縮封閉系統中的密封液。由于密封液的固有性質,使壓力儀表中的彈性元件產生相應在的彈性變形一位移,經指示裝置顯示壓力值。當隔膜的剛度足夠小時,則壓力儀表指示的壓力就近于被測介質的壓力值。
型號表示

型號標記示例
Y- 100B/ SR/MF (A)/316/4Mpa/50-4.0HGJ46通用儀表為Y-100B不銹鋼壓力表,連接形式為SR散熱式,采用敞開式凸面法蘭MF,隔離器(法蘭)材料為碳鋼,膜片材料316不銹鋼,測量范圍0~4MPa,法蘭標準50-4.0HGJ46。
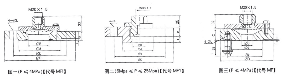
隔膜裝置法蘭尺寸
1、敞開式凸面法蘭

均可按用戶提供或指定的法蘭標準尺寸制造

2、工字形凸面法蘭

※均可按用戶提供或指定的法蘭標準尺寸制造。
3、螺絲接頭式[代號ML]量程上限值:≤60 Mpa (見圖五)
4、螺栓式隔膜隔離器[代號MZ]測量范圍: 1~25MPa隔膜和隔膜座材料: 0Cr17ni12Mo2[316] (見圖六)
5、卡箍式隔膜隔離器[代號MC]
6.螺母式隔膜隔離器[代號MN]
7、矩形法蘭式隔膜隔離器[代號MH]

外形尺寸



